Product Description
Yuken AR AR16 AR22 Hydraulic Piston Pump, A16 Variable Displacement Hydraulic Pump
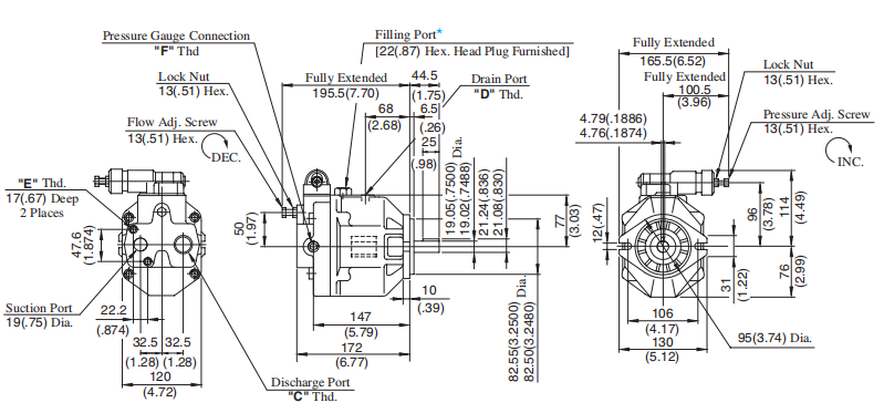
AR series variable displacement pump has been developed which the aim of even further the quientness in operation, smaller in size and lighter in mass and based on Yuken technology and engineering which put on market the “A” series pump which has a reputation for its quiet operation and high efficiency.A variable displacement pump is a device that converts mechanical energy to hydraulic (fluid) energy. The displacement, or amount of fluid pumped per revolution of the pump’s input shaft can be varied while the pump is running.






Leave Your Message
Products Recommended