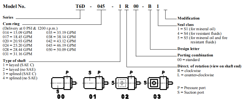
Product Description
T6 Series Hydraulic Single Vane Pump, T6 T7 T6C,T6E,T6D,T7B/S,T7/DS,T7E/S Hydraulic Pump
T6 Series High working pressure – Rated working pressure is up to 275 bar, which allows the size of hydraulic actuators, hydraulic control valves and piping to be reduced, reducing installation costs. If the working pressure is reduced, the working life can be extended:
T7 High volumetric efficiency – the typical volumetric efficiency is 0.94, which has high volumetric efficiency even under loading, which can improve productivity, reduce heat and reduce the operating cost of hydraulic equipment, and allow full pressure conditions The rotation speed is as low as 600 rpm (vehicle pump can be as low as 400 rpm);






Leave Your Message
Products Recommended