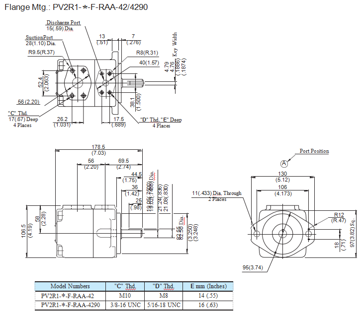
PV2R Single Hydraulic Vane Pump,PV2R1-14 Hydraulic Pump
The PV2R SERIES single hydraulic vane pump is engineered for high pressure and performance, with a specific focus on low-noise operation.
Designed to accommodate various applications, including injection molding machines, the PV2R series single pump offers a wide output flow ranging from 5.8 to 237 cm3/rev (0.354 to 14.46 cu.in./rev).
The yuken pump’s integrated driving components are configured as a kit and can be supplied as a cartridge assembly, facilitating easy replacement of the driving parts.
Model Numbers |
Geometric Displacement cm3/rev (cu.in./rev) | Max. Operating Pressure MPa (PSI) |
Output Flow & Input Power | Shaft Speed Range r/min |
| Petroleum Base Oils | Water Containing Fluids | Synthetic Fluids |
Anti-Wear Type |
R & O Type | 1
Anti-Wear Type Water Glycols |
Water Glycols | Water in Oil
Emulsions |
Phosphate Esters |
Max. |
Min. |
| PV2R1-6 | 5.8 ( .354 ) | 21 6
(3050) |
16 (2320) |
16 (2320) |
7 (1020) |
7 (1020) |
16 (2320) |
Refer to Pages 170 – 172 |
1800 (1200) |
750 5 |
| PV2R1-8 | 8.0 ( .488 ) |
| PV2R1-10 | 9.4 ( .574 ) |
21 (3050) |
| PV2R1-12 | 12.2 ( .744 ) |
| PV2R1-14 | 13.7 ( .836 ) |
| PV2R1-17 | 16.6 ( 1.013 ) |
| PV2R1-19 | 18.6 ( 1.135 ) |
| PV2R1-23 | 22.7 ( 1.385 ) |
| PV2R1-25 | 25.3 ( 1.544 ) |
| PV2R1-31 | 31.0 ( 1.892 ) | 16
(2320) |
| PV2R2-41 | 41.3 ( 2.52 ) |
21 (3050) |
14 (2030) |
16 (2320) |
7 (1020) |
7 (1020) |
14 (2030) |
Refer to Pages 172 & 173 |
1800 (1200) |
600 5 |
| PV2R2-47 | 47.2 ( 2.88 ) |
| PV2R2-53 | 52.5 ( 3.20 ) |
| PV2R2-59 | 58.2 ( 3.55 ) |
| PV2R2-65 | 64.7 ( 3.95 ) |
| PV2R3-76 | 76.4 ( 4.66 ) | 21
(3050) |
14 (2030) |
16 (2320) |
7 (1020) |
7 (1020) |
14 (2030) |
Refer to Page 174 | 1800
(1200) |
600 |
| PV2R3-94 | 93.6 ( 5.71 ) |
| PV2R3-116 | 115.6 ( 7.05 ) | 16
(2320) | 1800
(1200) |
| PV2R4-136 | 136 ( 8.30 ) |
17.5 (2540) |
14 (2030) |
16 (2320) |
7 (1020) |
7 (1020) |
14 (2030) |
Refer to Pages 174 & 175 |
1800 (1200) |
600 |
| PV2R4-153 | 153 ( 9.34 ) |
| PV2R4-184 | 184 ( 11.23 ) |
| PV2R4-200 | 201 ( 12.27 ) |
| PV2R4-237 | 237 ( 14.46 ) | 1800
(1200) |




