Product Description
Kracht KF180 Transfer Gear Pump,KF180 Hydraulic Pump
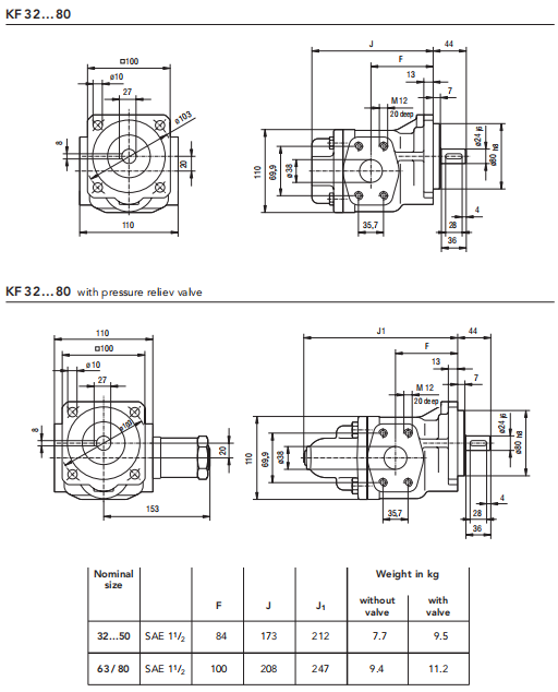
KF180 gear pump Nominal sizes 4…80 cm3:Vg = 4 /5/6/8/ 10/ 12 / 16/20 /25/32 /40/50 /63/80
Fitting position :arbitrary (exception: see universal device)
Direction of rotation :right or left,right and left
Fixing type:flange (DIN ISO 3019)
Pipe connection:KF 4…25,KF 32…80,Whitworth pipe thread, SAE flange SAE flange
Drive shaft end:ISO R 775 short-cylindrical
Operating pressure suction side:see chart page 8
Operating pressure pressure side:Pn 25 bar (higher pressures on request)
Speed:KF 4…80,200 … 3 000 1/min
Viscosity
(dependent on pressure and rotational speed):mm2/s 12 … 20 000
Temperature of pumping media:see chart page 8
Ambient temperature:Vu = — 20 °C … 60 °C (– 4 °F … 140 °F)




Leave Your Message
Products Recommended