Product Description
2PE Gear Pump Group2 2PE Series Hydraulic Pump,2PE-26 2PE-22.5 High Pressure Gear Pump
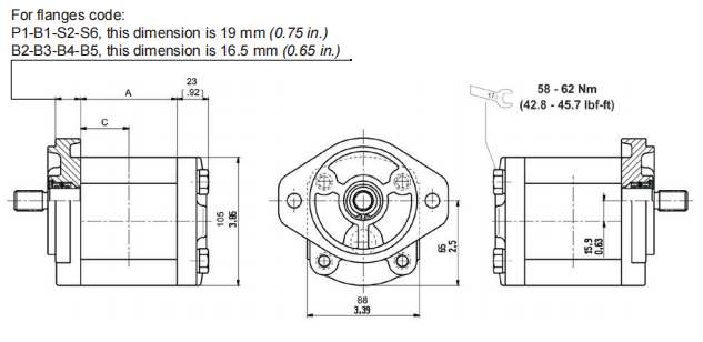
provides a variety of options and built-in valves to meet different application requirements.
of different working conditions. The maximum speed is as follows under different working conditions:
In P2 state, the maximum speed range is 4000 rpm to 3500 rpm.
In P1 state, the maximum speed range is 600 rpm to 500 rpm.
Leave Your Message
Products Recommended